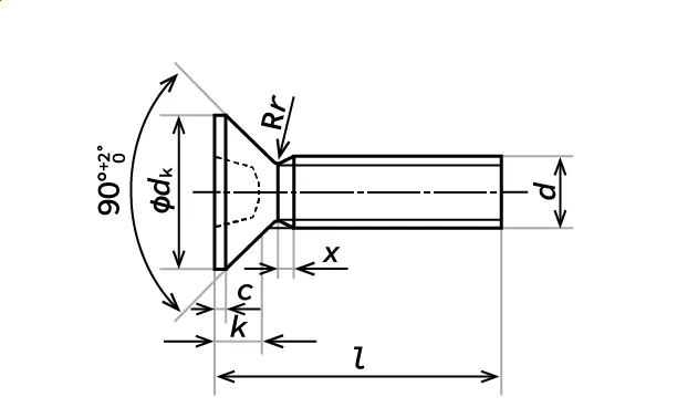
小ねじ
JIS名称 B1111 附属書JA/ 表JA.3,4,5,6,7 抜粋
※1 トラス M3は十字穴番号1になります
| 長さlの公差 | |||
|---|---|---|---|
| lの区分 | ねじの呼びの区分 | ||
| M2.5以下 | M2.5を超え M4以下 |
M4を 超えるもの |
|
| 4以下 | 0 -0.3 |
ー | ー |
| 4を超え 10以下 |
0 -0.4 |
0 -0.6 |
0 -0.8 |
| 10を超え 20以下 |
0 -0.6 |
0 -0.6 |
0 -1 |
| 20を超え 40以下 |
0 -0.8 |
0 -0.8 |
0 -1 |
| 40を 超えるもの |
ー | 0 -1 |
0 -1 |




